На главную страницу
О Фирме Продукция и сервис Техническая поддержка
На сайт GE Fanuc На сайт GE

Мониторы El-Fi PM и FM используют разработанный фирмой Emotron "угло-фазовый метод" для наблюдения за работой центробежных насосов и радиальных вентиляторов с ременным приводом соответственно. Поскольку не требуется внешних датчиков, монитор подключается непосредственно к силовому кабелю двигателя для измерения фазового угла между током и напряжением. Изменение этого угла свидетельствует об изменении нагрузки. При снижении нагрузки ниже установленного уровня будет остановлен двигатель и/или подан сигнал тревоги.

Уровень срабатывания, соответствующий недопустимой нагрузке, устанавливается на мониторе. Время задержки срабатывания также устанавливается пользователем во избежание нежелательных отключений при кратковременных или случайных снижениях нагрузки. Выбор функции срабатывания осуществляется тремя DIP-переключателями на панели управления монитора.

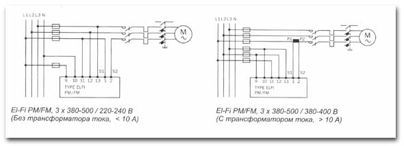
Мониторы El-Fi PM и FM подходят как для маленьких, так и для больших двигателей. При номинальном токе двигателя ниже 10 А монитор включается непосредственно в цепь питания, при больших токах он подключается через стандартный трансформатор тока.

 

 

Назначение и свойства

--Останавливает насос или вентилятор и/или подает сигнал тревоги при появлении неприемлемых изменений в нагрузке двигателя.
--Может использоваться с преобразователем частоты.
--При токе двигателя до 10 А не требует внешнего трансформатора тока.
--Имеет отдельное питание.
--Можно установить срабатывание защиты при отсутствии тока двигателя.
--Гальванически изолированное измерение тока повышает безопасность персонала.
--Мониторинг и защита просты и недороги.
--Не требует дополнительных датчиков.
--Возможна установка задержки срабатывания для предотвращения ложных сигналов тревоги.
--Возможна установка различных параметров срабатывания.
--Простая установка для всех типоразмеров двигателей
--Надежен и не требует обслуживания

 

Применения

 

Монитор насоса El-Fi РM останавливает двигатель и/или подает сигнал тревоги при неприемлемом снижении нагрузки центробежного насоса. Причиной этого может быть сухая работа, закрытый кран или неисправность насоса.

Монитор вентилятора El-Fi FM останавливает двигатель и/или подает сигнал тревоги при неприемлемом снижении нагрузки двигателя вентилятора. Причиной этого может быть повреждение приводного ремня, закрытая заслонка или засоренный воздушный фильтр.

 

 

Функции

 

Монитор имеет три варианта настройки, выбираемых с помощью DIP-переключателей на передней панели.

--Катушка реле нормально включена
--Катушка реле нормально выключена

--Сигнал тревоги не блокируется
--Сигнал тревоги блокируется

--Нет сигнала тревоги при отсутствии тока двигателя
--Есть сигнал тревоги при отсутствии тока двигателя

 

 

EL-FI PM/FM

 

--Надежен и не требует обслуживания

--Не требует внешних датчиков

--Датчиком является контролируемый асинхронный двигатель

--Простота установки

--Работает с любым асинхронным двигателем

--Высокая точность

--Измерение Cos j

--Остановка / сигнал тревоги при:

--Сухой работе (РМ)

--Закрытом кране (РМ)

--Повреждении приводного ремня (FМ)

--Закрытой заслонке (FМ)

--Засоренном фильтре (FМ)

 

Технические характеристики

 

Питание двигателя

100-240 или 380-500 В +5%, -10%

Частота двигателя

30-65 Гц

Напряжение питания монитора

100-110, 200, 220-240, 380-400, 415-440, 460-500 В +5%, -10%

Частота сети

45-65 Гц

Токовый вход

0,1 – 10 А

Допуск по току

60 А в течение 5 с

Потребляемая мощность

2,5 ВА

Задержка срабатывания

1-40 с для РМ и 1-90 с для FM

Контакты реле

5А, 250В

Предохранитель

До 20 А

Толщина провода

0,2-4,0 мм одножильн. или 0,2-2,5 мм многожильный. Длина зачистки 8 мм

Точность

±10% от полной шкалы

Повторяемость

±1% 24ч, 20°С

Диапазон температур

-20°С - +50°С

Температурная погрешность

±0,1%/°С

Защита ЕМС

EN50081-1, EN50082-2

Электробезопасность

IEC 947-5-1

Исполнение

IP 20

Размеры (Ш х В х Г)

45 х 90 х 115

Вес

0,30 кг

 

 

Типовое подключение EL-FI PM/FM

 

 

Скачать руководство в PDF (292 Kb)



© 1999-2001 Поликом
Designed by Rustam Gorodilov
[email protected]
тел.: +7 (3412) 443934 факс: +7 (3412) 447509